TOUT CE QUE VOUS VOULIEZ SAVOIR SUR
L'ÉNERGIE SOLAIRE THERMIQUE
Documentation technique
· Une installation solaire thermique pour la production d'eau chaude a un COP moyen annuel compris entre 20 et 30, ce qui signifie qu'avec 1 kWh d'électricité, on produit en moyenne 20 à 30 kWh de chaleur!
(Puisqu'il en est fait abusivement la publicité, une PAC (pompe à chaleur) a quant à elle un COP moyen de 3. Cela signifie qu'il faut 1 kWh d'électricité pour produire 3 kWh de chaleur, elle est donc 3 fois meilleure (ou moins nulle) qu'un chauffage électrique direct.)

2004: SE CHAUFFER AU SOLAIRE THERMIQUE: PASSEZ À L'ACTE !
http://www.actu-environnement.com/ae/articles/enr-sol/enr-sol.php4
Voir "évidemment" le dossier
ARCHITECTURE!
Construire son installation thermique
soi-même?
QUID du STOCKAGE THERMIQUE? QUID du FROID SOLAIRE (et climatisation)?
Faire de la cuisine solaire? Le "moteur STIRLING"?
Et le solaire à haute température?
mise à jour décembre 2012
Et la thermoélectricité?
Tours solaires (et gratte-ciels "écolos")
mise à jour août 2007
Championnat de France Énergies Renouvelables
des communes!
· COURS en pdf 2007-2008 D'INTRODUCTION AUX CAPTEURS SOLAIRES par l'EPFL (Lausanne)
· SE CHAUFFER AU SOLAIRE THERMIQUE: UNE MISE AU POINT POUR PASSER À L'ACTE (Source actu-environnement.com)
· 2007 (Belgique) La maison passive, un bon placement (http://www.lalibre.be/)
· 2005: Performances été/hiver d'une installation selon l'inclinaison et l'orientation(document Ajena octobre)
· 2004: Selon l'Ademe, le prix d'un chauffe-eau solaire, équipé de 4 m2 de capteurs et d'un ballon de 200 à 300 litres (trois ou quatre personnes), est compris entre 3 000 € et 5 000 €, pose incluse. Les aides et subventions peuvent couvrir jusqu'à 40 % de ce coût.
· Principes de base du solaire thermique ; voir les pages 4 à 10 d'un document (.pdf) de ww.energie-solaire.com (Suisse, en plusieurs langues)
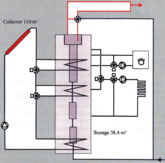
· Schéma de principe du chauffage solaire thermique Source: Energie Economie Systèmes, 77 rue du Chevalier Français F-59800 Lille
· Schéma de principe solaire combiné ECS et chauffage (Source: ENET)
· Le guide du chauffe-eau solaire collectif (France Editions Multimédia)
· Résumé de l'exposé d'un de nos membres lors de l'AG 1998 (construction d'une maison AUTONOME)
· Le PSD:
     - Le PSD - Plancher Solaire Direct-, vous connaissez ? (site individuel très complet)
     - La technique du Plancher Solaire Direct (PSD) constitue actuellement l'une des applications les plus intéressantes de l'énergie solaire au chauffage des locaux, combinée avec la production d'eau chaude sanitaire. L'ADEME a mis au point "PSD maison individuelle", méthode de calcul pour la France métropolitaine qui permet de déterminer les performances mensuelles, en terme d'économie de consommation (chauffage et eau chaude sanitaire), pour des maisons individuelles équipées de planchers solaires directs. Les économies sont calculées par rapport à un système de référence utilisant la même énergie (cf. Règles Th-C Cahiers du CSTB 2676).
    - Par ailleur, l’Ademe a récemment publié un guide pratique sur les chauffe-eau solaires individuels à destination des particuliers: http://www.ademe.fr/particuliers/Fiches/cesi/index.htm
· SIMULATEUR DU RAYONNEMENT SOLAIRE pour tester les collecteurs et les cuisinières solaires (Zbyslaw Pluta et André Kotowski); en effet, les tests d’appareils solaires dans les conditions climatiques naturelles sont chers et difficiles. Pour cette raison à l'Institut de Technologie Thermique (Université Technique de Varsovie, Pologne) on utilise un simulateur du rayonnement solaire réalisé selon la norme ASHRAE 93-77
· ITT: Magazine Transfert& Innovation Technologiques , de l'U. E. :
    - L'énergie solaire réduit le coût du séchage agricole (mars 99, CRI: réseau des Centres Relais Innovation)
    - Un climatiseur à énergie solaire (juillet 99, programme Thermie); voir aussi ci-dessous "Faire du froid avec le solaire?"
· Le solaire thermique actif (AME et Ordre des architectes), documentation en .pdf (1MB)